0

Jelentkezzen be

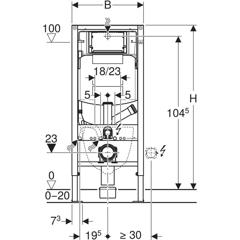
Porszórt önhordó keret.
A szerelőelem 9 mm-es furatokkal van ellátva faszerkezethez történő rögzítéshez.
A keret elő van készítve kisebb felfekvési felülettel rendelkező WC kerámiák alátámasztására.
Horganyzott láb.
0–20 cm között állítható lábazat.
Pozíciómegtartó lábrögzítés.
Forgatható rögzítő talpak.
A csatlakozókönyök szerszám nélkül felszerelhető különböző mélységekben, állíthatósági tartomány 45 mm.
A csatlakozókönyök rögzítése hangszigetelt.
Falsík alatti öblítőtartály elölről történő működtetéssel.
Páralecsapódás ellen szigetelt, falsík alatti öblítőtartály.
Gyári beállítás esetén azonnali utánöblítés lehetséges.
A külső szagelszívás o 50 mm-es csatlakozó karmantyúval az öblítőíven keresztül köthető be.
A falsík alatti öblítőtartályon a szerelési és szerviz munkálatok szerszám nélkül elvégezhetők.
Vízcsatlakozás középen, hátulról vagy fentről .A szerviznyílás építési törmelék elleni védőfedele véd a nedvessétől és a szennyeződéstől.
A csempézősablon méretre vágható.
Geberit AquaClean higiéniai berendezés vízcsatlakozásához védocsovel. Rögzítés elektromos csatlakozáshoz.
Power & Connect Box felszerelhető.

Geberit Duofix önhordó Wc szerelőelem fali wc részére, szagelszívási lehetőséggel
SAP: 2310289
Gyártói cikkszám: 111.367.00.5

Bruttó: 132 900 Ft /db

Opciók, tartozékok - Darabszámot majd a kosárnál tud növelni! (bruttó árak)
01_2310691.png Geberit hangcsillapító készlet fali WC és bidé számára
01_5120067.webp Alca zajcsökkentő hablemez fali WC-hez és bidéhez

Készleten!
 Kosárba

Jászberény Központ
Bp. Vidámvásár u.
Kaposvár
Veszprém
Siófok
Bp. Szentendrei út
Bp. Pesti út
DB
Tömeg nettó: 15 kg
Tömeg bruttó: 15.4 kg
Szélesség: 50 mm
Magasság: 112 mm
Alkalmazási területek: Szárazépítéshez
Parapet vagy teljes belmagasságú előtétfalakba történő beépítéshez
Teljes belmagasságú szerelőfalakba történő beépítésre
EN 33:2011 szerinti csatlakozóméretű fali WC-khez
Max. 62 cm hosszú WC-khez
Külső szagelszívás bekötéséhez
1 mennyiséges 2 mennyiséges vagy öblítés-stop működtetésű
0–20 cm vastag padlószerkezetekhez
Nem alkalmas emelt üléshelyzetű falra függesztett WC kerámiákhoz
Magasság (cm): 112 cm cm
Mélység (cm): 12 cm
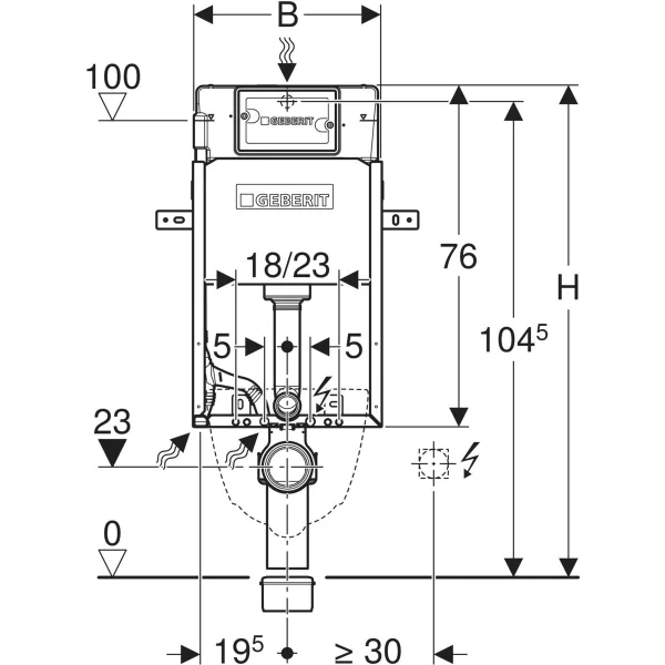
Tulajdonságok: Statikus önhordó keret porszórással korrózió ellen védett
A szerelőelem 9 mm-es furatokkal van ellátva faszerkezethez történő rögzítéshez
A keret elő van készítve kisebb felfekvési felülettel rendelkező WC-kerámiák alátámasztására
Horganyzott láb
0–20 cm között állítható lábazat
Pozíciómegtartó lábrögzítés
Forgatható rögzítő talpak
A csatlakozókönyök szerszám nélkül felszerelhető különböző mélységekben állíthatósági tartomány 45 mm
A csatlakozókönyök rögzítése hangszigetelt
Falsík alatti öblítőtartály elölről történő működtetéssel
Páralecsapódás ellen szigetelt falsík alatti öblítőtartály
Gyári beállítás esetén azonnali utánöblítés lehetséges
A külső szagelszívás ø 50 mm-es csatlakozó karmantyúval az öblítőíven keresztül köthető be
A falsík alatti öblítőtartályon a szerelési és szerviz munkálatok szerszám nélkül elvégezhetők
Vízcsatlakozás középen hátulról vagy fentről
A szerviznyílás építési törmelék elleni védőfedele véd a nedvessétől és a szennyeződéstől
A csempézősablon méretre vágható
Védőcsővel a Geberit AquaClean higiéniai berendezések vízellátásához és a hálózati kábelhez
Rögzítés elektromos csatlakozáshoz
Power & Connect Box felszerelhető
Víznyomás (bar): 0.1-10 bar
Szélesség (cm): 50 cm
Szállítási terjedelem: Vízcsatlakozás R 1/2” MF kompatibilis beépített sarokszeleppel és kézikerékkel
Csempézősablon
2 sarokprofil
Csatlakozókészlet WC-hez ø 90 mm
90°-os PE-HD csatlakozókönyök ø 90 mm
PE-HD adapter ø 90/110 mm
2 törmelék elleni védődugó
2 db M12-es menetes szár
Zajcsökkentő készlet
Rögzítőanyag
Magasság állíthatósága: Nem
Maximális vízhőmérséklet (°C): 25 °C
Szagelszívás levegő térfogatáram (m³/h): 8.5 m³/h
Öblítővíz-mennyiség gyári beállítása (l): 6 l;3 l
Nagy öblítővíz-mennyiség beállítási tartománya (l): 4 l;4.5 l;6 l;7.5 l
Mit helyettesít: 111.367.00.1
111.367.00.5

Hasonló termékek

Bruttó: 110 900 Ft

SAP: 2310013
5 egység készleten
Találatok: 1 - 1 / 1

Előzmények

Bruttó: 154 899 Ft

SAP: 2523337
6 egység készleten
Kérjen ajánlatot
SAP: 5660018
nincs készleten
Kérjen ajánlatot
SAP: 2490305
nincs készleten
Találatok: 1 - 4 / 4

WEBÁRUHÁZ, ÜGYFÉLSZOLGÁLAT

Bármilyen kérdés, kérés esetén lépjen kapcsolatba velünk!

  • 5100 Jászberény, Jásztelki út 73.
  • +36 57 500 732
  • webshop@szatmari.hu

Bejelentkezés

Regisztráció

logo

Regisztráljon oldalunkon, így időt takarít meg, és megkaphatja legfrisebb, legújabba akcióink, ajánlataink.

  • Biztonságos regisztráció, adatai teljes védelemben
  • Rendeléseit követheti, adatait kezelheti
  • Több kosár funkcióval összegyűjteti kedvenc termékeit
  • Könnyű rendelési folyamat