0

Jelentkezzen be

A Geberit szénacél idomok precíz pofavezetéssel rendelkeznek, így a préselés során nem csúszhat el a préspofa, nem helyezhető fel hibásan. A Mapress idomokat olyan rendszerekhez fejlesztették ki ahol kifejzetten fontos az anyag hatékonysága és gazdaságossága. Gyors és egyszerű szerelést biztosítanak teljesen lángmentesen.

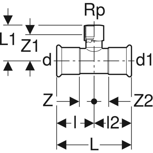
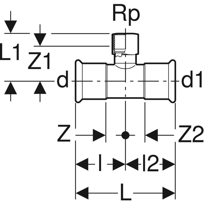
Geberit Mapress szénacél T-idom 54x3/4"x54 BM
SAP: 3470844
Gyártói cikkszám: 21321

Bruttó: 10 589 Ft /db

Opciók, tartozékok - Darabszámot majd a kosárnál tud növelni! (bruttó árak)
image-6d18d421.jpg Geberit mapress kívül-belül horganyzott szénacél cső 54x1,5 6fm

Készleten!
 Kosárba

Pécs - Jelenleg kevesebb mint 5 db elérhető!
4-6 napon belül átszállítható bármely Szatmári áruházba!
DB
Alkalmazási területek: Fagyálló nélküli hűtő- és fűtővízhez
Hűtő- és fűtővízhez fagyállóval
≤ 120 °C-os távhő fűtési vízhez
Oltóvízhez (nedves)
Sprinklerhez (nedves)
Sűrített levegőhöz (olaj tisztasági osztály: 3)
Épületgépészethez ipari alkalmazásra és hajógyártáshoz
Az alkalmazás áttekintése – Geberit Mapress szénacél
Tulajdonságok: Présindikátor
Lepréseletlenül szivárog
Kívül horganyzott
CIIR tömítőgyűrű fekete
Préshüvely áttetsző törmelék elleni védőkupakkal
Alapanyag: ötvözetlen acél
Forma: T-idom
Tömeg bruttó: 0.417
Kialakítás: belső menet
Présprofiltipus: M
Csőcsatlakozás: 54 mm
Csatlakozó méret: 3/4
Max. üzemi hőmérséklet: 120
Felhasználási terület: Fagyálló nélküli hűtő és fűtővízhez.Hűtő- és fűtővízhez fagyállóval.? 120 °C-os távhő fűtési vízhez. Oltóvízhez(nedves). Sprinklerhez (nedves).
Sűrített levegőhöz (olaj tisztasági osztály:3).
Épületgépészethez ipari alkalmazásra és hajógyártáshoz.
21321
Letöltések Műszaki rajz

Hasonló termékek

Bruttó: 9 089 Ft

SAP: 4580121
Készleten!
Találatok: 1 - 1 / 1

Előzmények

Bruttó: 155 Ft

SAP: 880011
Készleten!

Bruttó: 6 990 Ft

SAP: 3150100
Készleten!

Bruttó: 8 790 Ft

SAP: 1160087
Készleten!
Találatok: 1 - 4 / 4

WEBÁRUHÁZ, ÜGYFÉLSZOLGÁLAT

Bármilyen kérdés, kérés esetén lépjen kapcsolatba velünk!

  • 5100 Jászberény, Jásztelki út 73.
  • +36 57 500 732
  • webshop@szatmari.hu

Bejelentkezés

Regisztráció

logo

Regisztráljon oldalunkon, így időt takarít meg, és megkaphatja legfrisebb, legújabba akcióink, ajánlataink.

  • Biztonságos regisztráció, adatai teljes védelemben
  • Rendeléseit követheti, adatait kezelheti
  • Több kosár funkcióval összegyűjteti kedvenc termékeit
  • Könnyű rendelési folyamat