0

Jelentkezzen be

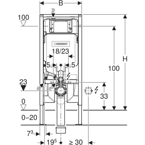
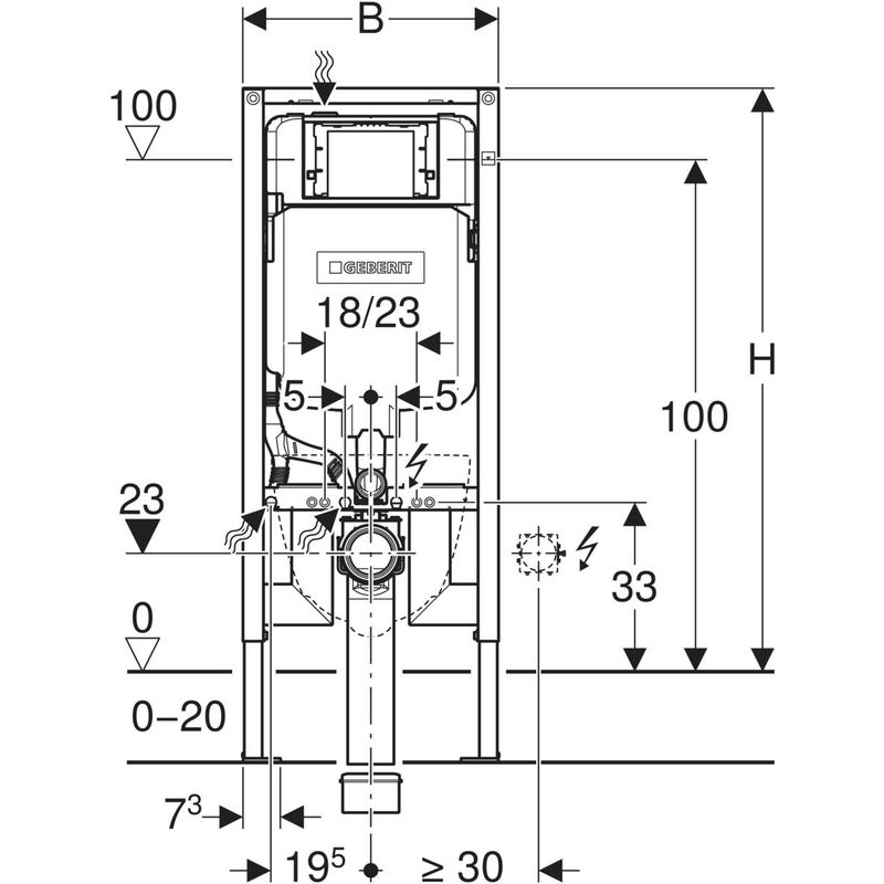
Geberit Duofix fali WC-szerelőelem, 114 cm, Sigma 8 cm-es falsík alatti öblítőtartállyal
SAP: 2310996
Gyártói cikkszám: 111.796.00.1

Bruttó: érdeklődjön!

Opciók, tartozékok - Darabszámot majd a kosárnál tud növelni! (bruttó árak)
image-72522f12.png Geberit Sigma01 működtetőlap, 2 mennyiséges fehér 115.770.11.5
01_2310691.png Geberit hangcsillapító készlet fali WC és bidé számára
01_5120067.webp Alca zajcsökkentő hablemez fali WC-hez és bidéhez

Nincs raktáron - Érdeklődjön kollégánknál!

nincs készleten
DB
Tulajdonságok: 2016-os gyártási sorozat
Statikus önhordó keret, porszórással, korrózió ellen védett
A szerelőelem 9 mm-es furatokkal van ellátva faszerkezethez történő rögzítéshez
A keret kis alátámasztási felületű WC-kerámiákhoz alkalmas (nyomásálló falburkolat esetén)
Horganyzott láb
Fokozat nélkül állítható magasságú lábazat
Pozíciómegtartó lábrögzítés
A rögzítő talp illeszthető UW50 U-alakú profilba és Geberit Duofix rendszersínbe
A csatlakozókönyök szerszám nélkül felszerelhető különböző mélységekben
A csatlakozókönyök elől síkba süllyesztett pozícióban függőlegesen felszerelhető
Meghosszabbított csatlakozókönyök, padlóhoz való összekötéshez
A csatlakozókönyök rögzítése hangszigetelt
Falsík alatti öblítőtartály elölről történő működtetéssel
Páralecsapódás ellen szigetelt, falsík alatti öblítőtartály
Gyári beállítás esetén azonnali utánöblítés lehetséges
A falsík alatti öblítőtartályon a szerelési és szerviz munkálatok szerszám nélkül elvégezhetők
Bal felső vízcsatlakozás
A szerviznyílás építési törmelék elleni védőfedele véd a nedvessétől és a szennyeződéstől
A csempézősablon méretre vágható, a síkba ágyazott működtetőlapokhoz igazodva
Védőcsővel a Geberit AquaClean higiéniai berendezések vízellátásához és a hálózati kábelhez
Rögzítés elektromos csatlakozáshoz
Víznyomás (bar): 0.1-10 bar
Szélesség (cm): 50 cm
Magasság (cm): 114 cm cm
Mélység (cm): 8 cm
Tömeg bruttó: 16.615 kg
Alkalmazási területek: Szárazépítéshez
Parapet vagy teljes belmagasságú előtétfalakba történő beépítéshez
Teljes belmagasságú szerelőfalakba történő beépítésre
EN 33:2011 szerinti csatlakozóméretű fali WC-khez
Fali WC-khez max. 70 cm megnövelt hosszal
1 mennyiséges, 2 mennyiséges vagy öblítés-stop működtetésű
0–20 cm vastag padlószerkezetekhez
Mit helyettesít: 111.726.00.1
Szállítási terjedelem: Vízcsatlakozás R 1/2”, MF kompatibilis, beépített sarokszeleppel és kézikerékkel
Csempézősablon
2 rögzítőfül
Csatlakozókészlet WC-hez, ø 90 mm
90°-os PE-HD csatlakozókönyök, ø 90 mm
PE-HD adapter, ø 90/110 mm
2 törmelék elleni védődugó
2 db M12-es menetes szár
Rögzítőanyag
Magasság állíthatósága: Nem
Maximális vízhőmérséklet (°C): 25 °C
Nagy öblítővíz-mennyiség beállítási tartománya (l): 4 l;4.5 l;6 l;7.5 l
Öblítővíz-mennyiség gyári beállítása (l): 6 l;3 l
111.796.00.1

Hasonló termékek

Bruttó: 170 900 Ft

SAP: 6160228
5 egység készleten
Találatok: 1 - 1 / 1

Előzmények

Bruttó: 88 900 Ft

SAP: 6230143
4 egység készleten

Bruttó: 18 490 Ft

SAP: 440216
28 egység készleten

Bruttó: 5 390 Ft

SAP: 136227
20 egység készleten
Kérjen ajánlatot
SAP: 6680309
nincs készleten
Találatok: 1 - 4 / 4

WEBÁRUHÁZ, ÜGYFÉLSZOLGÁLAT

Bármilyen kérdés, kérés esetén lépjen kapcsolatba velünk!

  • 5100 Jászberény, Jásztelki út 73.
  • +36 57 500 732
  • webshop@szatmari.hu

Bejelentkezés

Regisztráció

logo

Regisztráljon oldalunkon, így időt takarít meg, és megkaphatja legfrisebb, legújabba akcióink, ajánlataink.

  • Biztonságos regisztráció, adatai teljes védelemben
  • Rendeléseit követheti, adatait kezelheti
  • Több kosár funkcióval összegyűjteti kedvenc termékeit
  • Könnyű rendelési folyamat