0

Jelentkezzen be

A Geberit szénacél idomok precíz pofavezetéssel rendelkeznek, így a préselés során nem csúszhat el a préspofa, nem helyezhető fel hibásan. A Mapress idomokat olyan rendszerekhez fejlesztették ki ahol kifejzetten fontos az anyag hatékonysága és gazdaságossága. Gyors és egyszerű szerelést biztosítanak teljesen lángmentesen.

Geberit Mapress hegeszthető szénacél kombicső 42-44,5
SAP: 2310410
Gyártói cikkszám: 12417

Bruttó: érdeklődjön!

Opciók, tartozékok - Darabszámot majd a kosárnál tud növelni! (bruttó árak)
image-48780e7c.jpg Geberit mapress kívül-belül horganyzott szénacél cső 42x1,5 6fm
image-4c797a8c.jpg Geberit Mapress szénacél karmantyú 42
image-5a20e553.jpg Geberit Mapress szénacél egál T-idom 42

Nincs raktáron - Érdeklődjön kollégánknál!

nincs készleten
DB
Tömeg nettó: 0.426 kg
Tömeg bruttó: 0.454 kg
Falvastagság: 1.5 mm
Alapanyag: ötvözetlen acél
Alkalmazási területek: Az alkalmazás áttekintése – Geberit Mapress szénacél
Magasság (cm): 12 cm
Tulajdonságok: Nem horganyzott
Max. üzemi hőmérséklet: 120 °C
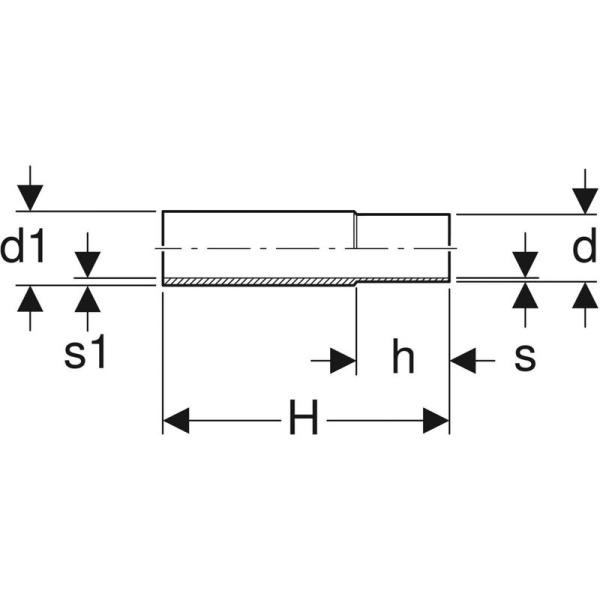
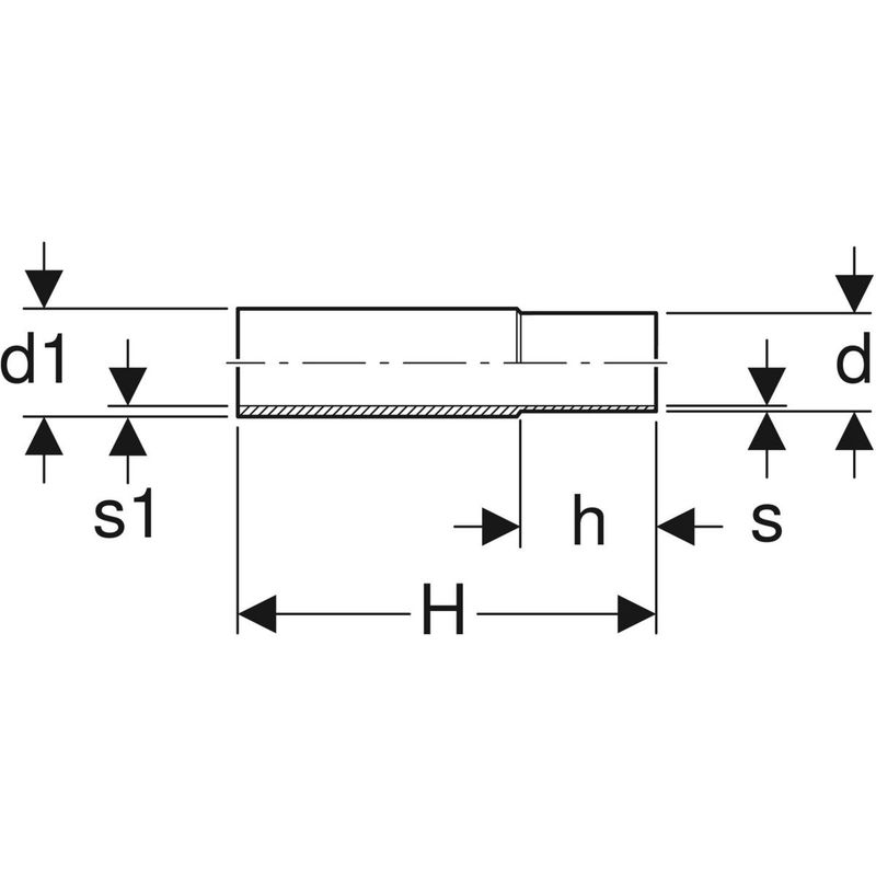
DN / névleges szélesség: 40
D1 ø / külső átmérő (mm): 48.3 mm
D ø / külső átmérő (mm): 42 mm
Felhasználási terület: Sűrített levegőhöz(olaj tisztasági osztály:3).Épületgépészethezipari alkalmazásra és hajógyártáshoz.
Csőcsatlakozás: 42-483 mm
Forma: Egyenes
Mit helyettesít: 12407
Présprofiltipus: M
12417

Előzmények

Bruttó: 1 160 Ft

SAP: 290026
670 egység készleten

Bruttó: 1 250 Ft

SAP: 290003
205 egység készleten

Bruttó: 2 690 Ft

SAP: 290170
140 egység készleten

Bruttó: 43 900 Ft

SAP: 921301
5 egység készleten
Találatok: 1 - 4 / 4

WEBÁRUHÁZ, ÜGYFÉLSZOLGÁLAT

Bármilyen kérdés, kérés esetén lépjen kapcsolatba velünk!

  • 5100 Jászberény, Jásztelki út 73.
  • +36 57 500 732
  • webshop@szatmari.hu

Bejelentkezés

Regisztráció

logo

Regisztráljon oldalunkon, így időt takarít meg, és megkaphatja legfrisebb, legújabba akcióink, ajánlataink.

  • Biztonságos regisztráció, adatai teljes védelemben
  • Rendeléseit követheti, adatait kezelheti
  • Több kosár funkcióval összegyűjteti kedvenc termékeit
  • Könnyű rendelési folyamat