0

Jelentkezzen be

A Geberit szénacél idomok precíz pofavezetéssel rendelkeznek, így a préselés során nem csúszhat el a préspofa, nem helyezhető fel hibásan. A Mapress idomokat olyan rendszerekhez fejlesztették ki ahol kifejzetten fontos az anyag hatékonysága és gazdaságossága. Gyors és egyszerű szerelést biztosítanak teljesen lángmentesen.

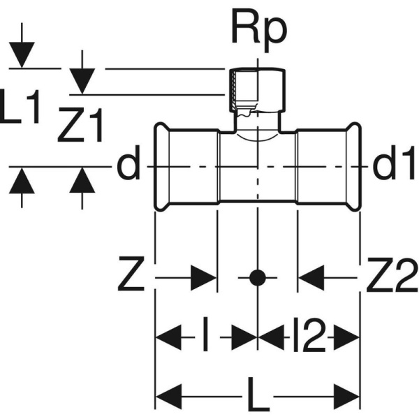
Geberit Mapress szénacél T-idom BM 42-3/4"-42
SAP: 3470226
Gyártói cikkszám: 21317

Bruttó: 9 690 Ft /db

Opciók, tartozékok - Darabszámot majd a kosárnál tud növelni! (bruttó árak)
image-48780e7c.jpg Geberit mapress kívül-belül horganyzott szénacél cső 42x1,5 6fm
image-4c797a8c.jpg Geberit Mapress szénacél karmantyú 42
image-5a20e553.jpg Geberit Mapress szénacél egál T-idom 42

Készleten!
 Kosárba

Jászberény Központ
Kiskunhalas
DB
Présprofiltipus: M
Alapanyag: ötvözetlen acél
Kialakítás: Belső menet
Max. üzemi hőmérséklet: 120 °C
Tulajdonságok: Présindikátor
Lepréseletlenül szivárog
Kívül horganyzott
CIIR tömítőgyűrű, fekete
Préshüvely áttetsző törmelék elleni védőkupakkal
Hosszúság (cm): 11.4 cm
Tömeg nettó: 0.274 kg
Tömeg bruttó: 0.3 kg
Alkalmazási területek: Fagyálló nélküli hűtő- és fűtővízhez
Hűtő- és fűtővízhezfagyállóval
≤ 120 °C-os távhő fűtési vízhez
Oltóvízhez (nedves)
Sprinklerhez (nedves)
Sűrített levegőhöz (olaj tisztasági osztály: 3)
Épületgépészethez, ipari alkalmazásra és hajógyártáshoz
Az alkalmazás áttekintése – Geberit Mapress szénacél
Forma: T-idom
Csőcsatlakozás: 42 mm
Csatlakozó méret: 3/4"
Felhasználási terület: Sűrített levegőhöz(olaj tisztasági osztály 3).Épületgépészethez,ipari alkalmazásra és hajógyártáshoz.Kivűl horganyzott.
D, ø / külső átmérő (mm): 42 mm
D1, ø / külső átmérő (mm): 42 mm
DN / névleges szélesség: 40 / 20 / 40
21317

Hasonló termékek

Bruttó: 9 089 Ft

SAP: 4580122
46 egység készleten
Találatok: 1 - 1 / 1

Előzmények

Bruttó: 6 990 Ft

SAP: 4580091
264 egység készleten

Bruttó: 3 590 Ft

SAP: 850597
2 egység készleten

Bruttó: 1 740 Ft

SAP: 2470440
83 egység készleten
Kérjen ajánlatot
SAP: 4972651
nincs készleten
Találatok: 1 - 4 / 4

WEBÁRUHÁZ, ÜGYFÉLSZOLGÁLAT

Bármilyen kérdés, kérés esetén lépjen kapcsolatba velünk!

  • 5100 Jászberény, Jásztelki út 73.
  • +36 57 500 732
  • webshop@szatmari.hu

Bejelentkezés

Regisztráció

logo

Regisztráljon oldalunkon, így időt takarít meg, és megkaphatja legfrisebb, legújabba akcióink, ajánlataink.

  • Biztonságos regisztráció, adatai teljes védelemben
  • Rendeléseit követheti, adatait kezelheti
  • Több kosár funkcióval összegyűjteti kedvenc termékeit
  • Könnyű rendelési folyamat