0

Jelentkezzen be

hűtés/fűtés/víz

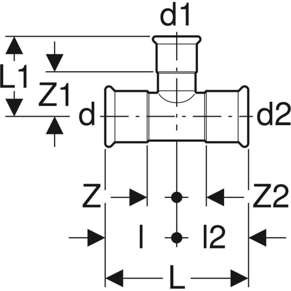
Geberit Mapress rozsdamentes acél szűkített T-idom 42-35-42
SAP: 2310400
Gyártói cikkszám: 31220

Bruttó: 13 790 Ft /db

Opciók, tartozékok - Darabszámot majd a kosárnál tud növelni! (bruttó árak)
image-df8d8868.jpg Geberit Mapress rozsdamentes cső 1.4401 42x1,5 6fm
01_3470349.png Geberit Mapress rozsdamentes acél egál T-idom 42

Készleten!
 Kosárba

Jászberény Központ
Pécs
Győr
Karcag
DB
Tömeg nettó: 0.268 kg
Tömeg bruttó: 0.283 kg
Kialakítás: préscsatlakozás
Alapanyag: CrNiMo-acél 1 4401
Alkalmazási területek: Hideg és meleg ivóvízhez
Fagyálló nélküli hűtő- és fűtővízhez
Hűtő- és fűtővízhez fagyállóval
≤ 120 °C-os távhő fűtési vízhez
≤ 120 °C-os telített gőzhöz
Üzemi és ipari vízhez
Előkészített vizekhez
60 pH-értékű esővízhez
60 pH-értékű mechanikusan szűrt és szennyvízhez
Oltóvízhez (nedves)
Sprinklerhez (nedves)
Vegyszerekhez és műszaki folyadékokhoz
Sűrített levegőhöz (olaj tisztasági osztály: 0–3)
Vákuumhoz
Inertgázokhoz (pl. nitrogénhez)
Ipari gázokhoz (pl. acetilénhez hegesztőgázokhoz)
Épületgépészethez ipari alkalmazásra és hajógyártáshoz
Az alkalmazás áttekintése – Geberit Mapress rozsdamentes acél folyékony közegekhez
Az alkalmazás áttekintése – Geberit Mapress rozsdamentes acél gáznemű közeghez
Átmérő: 42-35-42 mm
Hosszúság (cm): 11.4 cm
Tulajdonságok: Présindikátor
Lepréseletlenül szivárog
CIIR tömítőgyűrű fekete
Préshüvely áttetsző törmelék elleni védőkupakkal
DN / névleges szélesség: 40 / 32 / 40
D1 ø / külső átmérő (mm): 35 mm
D2 ø / külső átmérő (mm): 42 mm
D ø / külső átmérő (mm): 42 mm
Forma: T-idom
Présprofiltipus: M
31220

Hasonló termékek

Bruttó: 9 990 Ft

SAP: 4580290
46 egység készleten
Találatok: 1 - 1 / 1

Előzmények

Bruttó: 96 900 Ft

SAP: 404639
252 egység készleten

Bruttó: 11 490 Ft

SAP: 3850826
3 egység készleten

Bruttó: 27 899 Ft

SAP: 2670102
68 egység készleten
Találatok: 1 - 4 / 4

WEBÁRUHÁZ, ÜGYFÉLSZOLGÁLAT

Bármilyen kérdés, kérés esetén lépjen kapcsolatba velünk!

  • 5100 Jászberény, Jásztelki út 73.
  • +36 57 500 732
  • webshop@szatmari.hu

Bejelentkezés

Regisztráció

logo

Regisztráljon oldalunkon, így időt takarít meg, és megkaphatja legfrisebb, legújabba akcióink, ajánlataink.

  • Biztonságos regisztráció, adatai teljes védelemben
  • Rendeléseit követheti, adatait kezelheti
  • Több kosár funkcióval összegyűjteti kedvenc termékeit
  • Könnyű rendelési folyamat