0

Jelentkezzen be

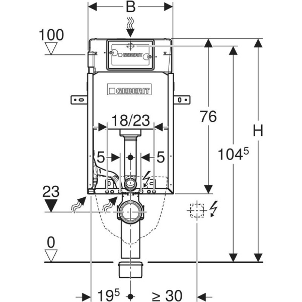
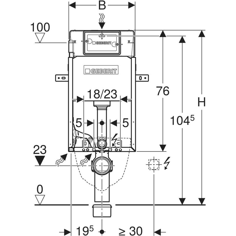
Geberit KombifixBasic fali WC-szerelőelem, 108 cm, Delta 12 cm-es falsík alatti öblítőtartállyal
SAP: 2310314
Gyártói cikkszám: 110.100.00.1

Bruttó: 72 899 Ft /db

Opciók, tartozékok - Darabszámot majd a kosárnál tud növelni! (bruttó árak)
01_2310691.png Geberit hangcsillapító készlet fali WC és bidé számára
01_5120067.webp Alca zajcsökkentő hablemez fali WC-hez és bidéhez

Készleten!
 Kosárba

Jászberény Központ
Békéscsaba
Bp. Váci út
Pécs
Debrecen
Bp. Projekt
Bp. Nagytétényi út
Bp. Vas Gereben utca
Sopron
Budaörs
Bp. Szentendrei út
Tata
Bp. Pesti út
DB
Szállítási terjedelem: Sarokszelep R 1/2", MF kompatibilis, adaptergyűrűvel
Csempézősablon
2 távolságtartó rögzítőfül
90°-os PE-HD csatlakozókönyök, ø 90 mm
PE-HD adapter, ø 90/110 mm
Csatlakozókészlet WC-hez, ø 90 mm
2 törmelék elleni védődugó
2 db M12-es menetes szár
Rögzítőanyag
Magasság állíthatósága: Nem
Maximális vízhőmérséklet (°C): 25 °C
Nagy öblítővíz-mennyiség beállítási tartománya (l): 4.5 l;6 l;7.5 l
Öblítővíz-mennyiség gyári beállítása (l): 6 l;3 l
Alkalmazási területek: Falazott falakhoz
Parapet vagy teljes belmagasságú előtétfalakba történő beépítéshez
EN 33:2011 szerinti csatlakozóméretű fali WC-khez
1 mennyiséges, 2 mennyiséges vagy öblítés-stop működtetésű
Mértékadó térfogatáram (l/perc): 7.2 l/min
Mit helyettesít: 110.103.11.1
Tulajdonságok: Horganyzott szerelőkeret
Szerelőkeret négy bilinccsel
Szerszám nélkül összeszerelhető csatlakozókönyök
A csatlakozókönyök rögzítése elölről szerszám nélkül szerelhető
Falsík alatti öblítőtartály elölről történő működtetéssel
Páralecsapódás ellen szigetelt, falsík alatti öblítőtartály
Gyári beállítás esetén azonnali utánöblítés lehetséges
Vízcsatlakozás középen, hátulról vagy fentről
A flexibilis cső szerszám nélkül csatlakoztatható a sarokszelephez
Védőcsővel a Geberit AquaClean higiéniai berendezések vízellátásához és a hálózati kábelhez
Rögzítés elektromos csatlakozáshoz
Szélesség (cm): 42 cm
Magasság (cm): 108 cm
Mélység (cm): 12 cm
Tömeg bruttó: 7.527 kg
110.100.00.1

Hasonló termékek

Bruttó: 112 900 Ft

SAP: 2311118
6 egység készleten

Bruttó: 74 900 Ft

SAP: 2310306
10 egység készleten
Találatok: 1 - 2 / 2

Előzmények

Bruttó: 31 900 Ft

SAP: 2890002
176 egység készleten

Bruttó: 162 900 Ft

SAP: 2521607
3 egység készleten
Kérjen ajánlatot
SAP: 4600011
nincs készleten
Kérjen ajánlatot
SAP: 2492155
nincs készleten
Találatok: 1 - 4 / 4

WEBÁRUHÁZ, ÜGYFÉLSZOLGÁLAT

Bármilyen kérdés, kérés esetén lépjen kapcsolatba velünk!

  • 5100 Jászberény, Jásztelki út 73.
  • +36 57 500 732
  • webshop@szatmari.hu

Bejelentkezés

Regisztráció

logo

Regisztráljon oldalunkon, így időt takarít meg, és megkaphatja legfrisebb, legújabba akcióink, ajánlataink.

  • Biztonságos regisztráció, adatai teljes védelemben
  • Rendeléseit követheti, adatait kezelheti
  • Több kosár funkcióval összegyűjteti kedvenc termékeit
  • Könnyű rendelési folyamat