0

Jelentkezzen be

Geberit Duofix fali WC-szerelőelem készlet, 112 cm, Delta 12 cm-es falsík alatti öblítőtartállyal+Delta20 működtetőlap+Selnova Square fali WC Rimfree
SAP: 6160168
Gyártói cikkszám: 118.402.21.2

Bruttó: 170 900 Ft /db

Opciók, tartozékok - Darabszámot majd a kosárnál tud növelni! (bruttó árak)
01_2310691.png Geberit hangcsillapító készlet fali WC és bidé számára
01_5120067.webp Alca zajcsökkentő hablemez fali WC-hez és bidéhez

Készleten!
 Kosárba

Jászberény Központ
Jászberény Kisker
Szeged
Kisvárda
Bp. Váci út
Kiskunhalas
Pécs
Szombathely
Győr
Nagykanizsa
Hódmezővásárhely
Gyula
Gyöngyös
Budaörs
Keszthely
DB
Alkalmazási területek: Szárazépítéshez
Parapet vagy teljes belmagasságú előtétfalakba történő beépítéshez
Teljes belmagasságú szerelőfalakba történő beépítésre
1 mennyiséges, 2 mennyiséges vagy öblítés-stop működtetésű
0–20 cm vastag padlószerkezetekhez
Szállítási terjedelem: Geberit Duofix fali WC szerelőelem
Sarokszelep R 1/2", adaptergyűrűvel
Építési törmelék elleni védelem szerviznyíláshoz, polisztirol hab
Geberit Delta20 működtetőlap, 2 mennyiséges öblítéshez: Fényes króm (115.127.21.1)
2 távolságtartó rögzítőfül
2 rögzítőfül
2 törmelék elleni védődugó
Csatlakozókészlet WC-hez, ø 90 mm
PE-HD csatlakozókönyök, ø 90 mm
PE-HD adapter, ø 90/110 mm
2 db M12-es menetes szár
Zajcsökkentő készlet
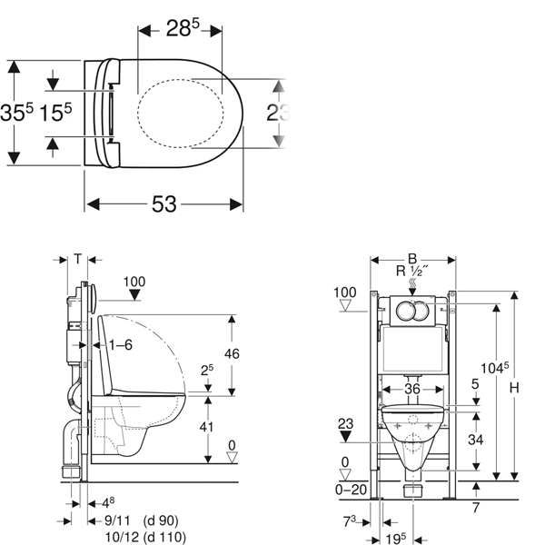
Geberit Selnova Square fali WC mélyöblítésű, Rimfree: Fehér (500.275.01.1)
Geberit Selnova Square WC-ülőke, rögzítés felülről: Fehér / Fénylő, Gyorskioldó csuklópántok=Nem, Lecsapódásgátlós=Igen, Rögzítés=Felső, Csuklópánt anyaga=Krómozott sárgaréz (500.334.01.1)
Rögzítőanyag
Magasság állíthatósága: Nem
Maximális vízhőmérséklet (°C): 25 °C
Nagy öblítővíz-mennyiség beállítási tartománya (l): 4.5 l;6 l;7.5 l
Öblítővíz-mennyiség gyári beállítása (l): 6 l;3 l
Tulajdonságok: Statikus önhordó keret, porszórással, korrózió ellen védett
Felül nyitott keret
A szerelőelem 9 mm-es furatokkal van ellátva faszerkezethez történő rögzítéshez
Keret felső kereszttartó nélkül, Geberit Duofix falsík előtti szerelőkészlet fogadására előkészítve
A keret elő van készítve kisebb felfekvési felülettel rendelkező WC-kerámiák alátámasztására
Horganyzott láb
0–20 cm között állítható lábazat
Műanyag rögzítő talpak
A rögzítő talp illeszthető UW50 U-alakú profilba
Szerszám nélkül összeszerelhető csatlakozókönyök
Falsík alatti öblítőtartály elölről történő működtetéssel
Páralecsapódás ellen szigetelt, falsík alatti öblítőtartály
Gyári beállítás esetén azonnali utánöblítés lehetséges
Vízcsatlakozás középen, hátulról vagy fentről
Védőcsővel a Geberit AquaClean higiéniai berendezések vízellátásához és a hálózati kábelhez
Rögzítés elektromos csatlakozáshoz
Víznyomás (bar): 0.1-10 bar
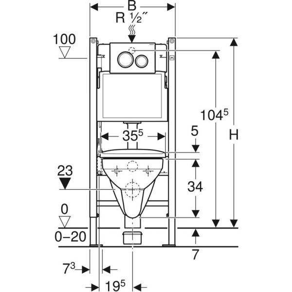
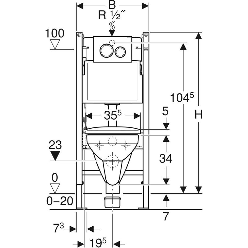
Szélesség (cm): 50 cm
Magasság (cm): 112 cm cm
Mélység (cm): 12 cm
Tömeg bruttó: 35.955 kg
118.402.21.2

Hasonló termékek

Bruttó: 121 900 Ft

SAP: 6160030
55 egység készleten

Bruttó: 112 900 Ft

SAP: 2311118
6 egység készleten
Találatok: 1 - 3 / 3

Előzmények

Bruttó: 39 900 Ft

SAP: 2600080
1 egység készleten

Bruttó: 10 989 Ft

SAP: 135271
70 egység készleten
Kérjen ajánlatot
SAP:
nincs készleten
Találatok: 1 - 4 / 4

WEBÁRUHÁZ, ÜGYFÉLSZOLGÁLAT

Bármilyen kérdés, kérés esetén lépjen kapcsolatba velünk!

  • 5100 Jászberény, Jásztelki út 73.
  • +36 57 500 732
  • webshop@szatmari.hu

Bejelentkezés

Regisztráció

logo

Regisztráljon oldalunkon, így időt takarít meg, és megkaphatja legfrisebb, legújabba akcióink, ajánlataink.

  • Biztonságos regisztráció, adatai teljes védelemben
  • Rendeléseit követheti, adatait kezelheti
  • Több kosár funkcióval összegyűjteti kedvenc termékeit
  • Könnyű rendelési folyamat